My New obsession
Background:
- Every pitline made for maintenance of trains costs about Rs 8 crores(2012).
- Our existing pitlines are in a shabby state, and my wild guess but 50% of them are not usable.
- Every pitline constructed lasts 35-40 years.
- I have 15 pitlines in the division. Each has its own unique set of problems, besides a whole common set of problems across them. 1 new one has been constructed, 2 partially constructed, 1 to start construction, and 3 under sanction.
- I have been crying hoarse on the pitlines which are being constructed. BUT, the irony is if a construction engineer asks me what I want, I DONOT HAVE AN ANSWER.
- There are talks of new designs and concepts… but where are the specifications.
My attempt
- To gather information, documents, and information and have an answer for myself — WHAT KIND OF A WASHING LINE DO I WANT?
- To share all this information at one place for use by anyone.
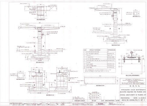
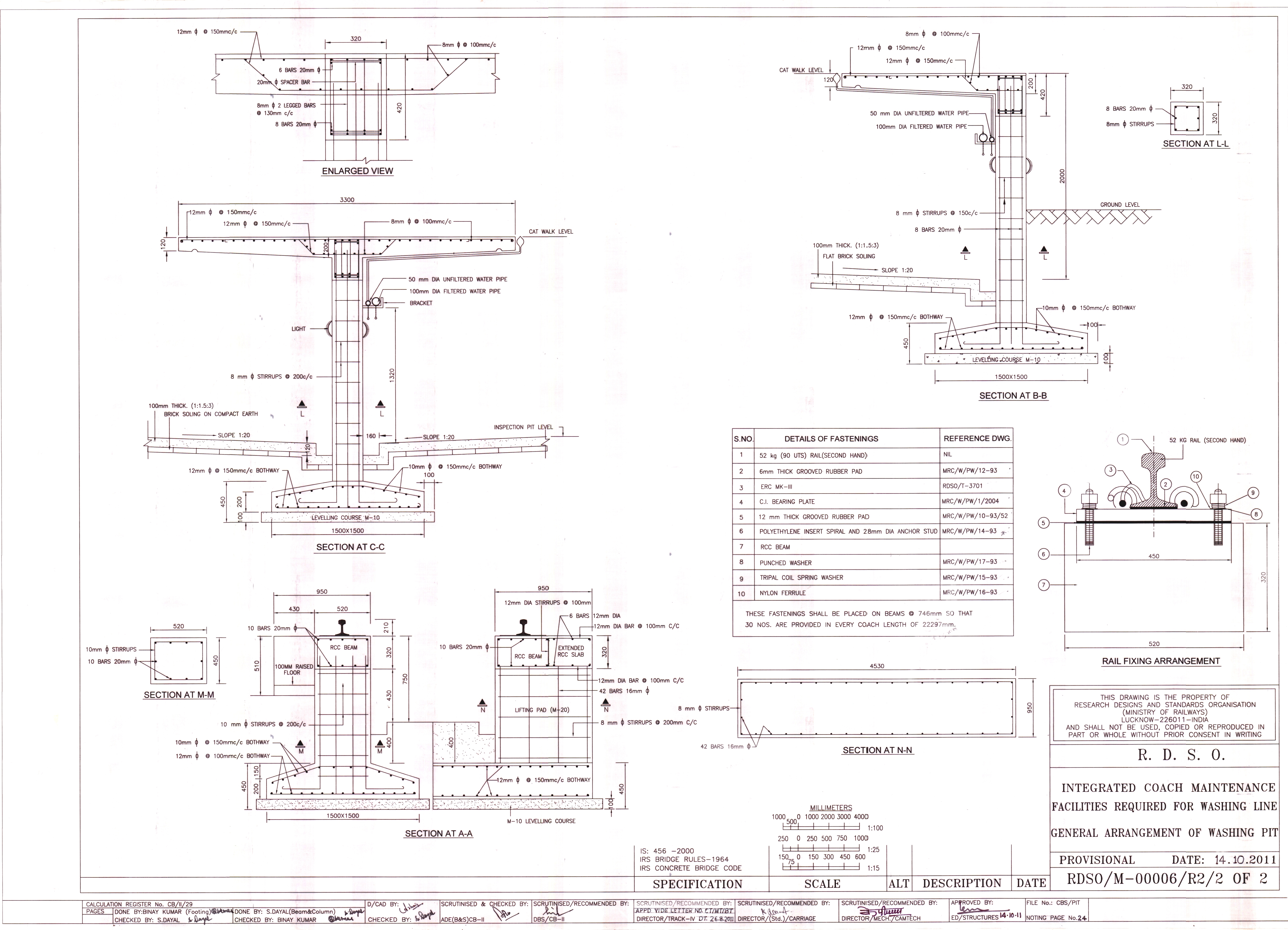
- To start with the latest RDSO drawing is enclosed (it is however a provisional drawing)


Next various Pitline designs exist..
Bhopal Pitlines with no catwalks
AN ALTERNATIVE






















One thought on “Design of pitlines for maintenance of Railway Trains”